Grafene 3D per le tecnologie verdi

Ricercatori dell'Istituto nanoscienze del Consiglio nazionale delle ricerche hanno realizzato grafene di alta qualità con una struttura tridimensionale, che potrebbe aumentare la capacità di stoccaggio dell'idrogeno e la precisione di sensori chimici. Lo studio pubblicato su Carbon



Come ottenere la maggiore quantità possibile di un materiale bidimensionale, ad esempio grafene, in uno spazio limitato? Producendolo non su una superficie piana, ma su una nanostruttura tridimensionale. È quanto è riuscito a ottenere un gruppo di ricercatori dell'Istituto nanoscienze del Consiglio nazionale delle ricerche (Cnr-Nano) e dell’Università tecnica di Vienna, in collaborazione con l’Università di Anversa. Il nuovo materiale potrebbe offrire un vantaggio decisivo in applicazioni nel campo delle energie verdi. I risultati dello studio sono pubblicati sulla rivista Carbon.

"I materiali bidimensionali, in primis il grafene, offrono la possibilità di sviluppare dispositivi con caratteristiche uniche", spiega Stefano Veronesi di Cnr-Nano e primo autore dello studio. "La loro natura bidimensionale è però un fattore limitante per molte applicazioni che hanno bisogno di grandi superfici attive, come lo stoccaggio e la rilevazione di gas, la realizzazione di supercondensatori ed elettrodi per batterie. Per questo riuscire ad assemblare grafene in tre dimensioni senza perdere le sue eccezionali proprietà è una sfida aperta della ricerca scientifica".

Il team di scienziati coordinato da Stefan Heun di Cnr-Nano e Ulrich Schmid dell'Università tecnica di Vienna ha ottenuto la prima crescita di uno strato di grafene su di uno “scheletro” cristallino tridimensionale, combinando una serie di tecniche avanzate di lavorazione dei materiali.

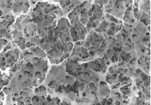
I ricercatori sono partiti da un cristallo di carburo di silicio. Con una complessa tecnica elettrochimica sviluppata all'Università di Vienna hanno rimosso oltre il 40% del volume e trasformato il cristallo solido in una nanostruttura porosa, con fori e canali di dimensioni nanometriche. Per ottenere la crescita di grafene, con la tecnica epitassiale, i ricercatori di Cnr-Nano, presso il Laboratorio NEST di Scuola Normale Superiore, hanno portato lo 'scheletro' poroso a una temperatura oltre 1300 °C in condizioni di ultra-alto vuoto (si tratta delle più basse pressioni accessibili con le tecnologie attuali, al di sotto del miliardesimo di millibar).  In tal modo strati di grafene di alta qualità hanno ricoperto l'intricata superficie della nanostruttura 3D.

"Il materiale poroso ha la struttura di una spugna in miniatura con pori di dimensioni dell'ordine di 100 nanometri (un nanometro è pari a un miliardesimo di metro). In soli 20 micron (micron è un millesimo di millimetro) di materiale poroso si ottiene una superficie utile 200 volte superiore a quella del materiale solido. Il risultato è una organizzazione tridimensionale di grafene con un elevato rapporto superficie-volume", commenta Veronesi.

"Abbiamo ottenuto un materiale nuovo e versatile che integra grafene di alta qualità in uno spazio ridotto", spiega Stefan Heun di Cnr-Nano, "questo permette di sfruttare al massimo le proprietà eccezionali del grafene e offre una prospettiva innovativa in un gran numero di applicazioni, dalla nanoelettronica ai sensori fino a settore dell'energia".

"L'applicazione iniziale dello studio era rivolta allo stoccaggio di idrogeno: poiché è possibile immagazzinare idrogeno su una superficie di grafene, maggiore è la superficie e maggiore è la quantità di idrogeno accumulabile", conclude Veronesi. "Ma l'ampia superficie è un vantaggio decisivo anche per aumentare le prestazioni degli elettrodi nelle celle a combustibile, in batterie di nuova generazione e per la produzione di idrogeno assistita dalla luce solare (il cosiddetto solar Hydrogen) e nei sensori chimici, ad esempio per rilevazione di sostanze rare nei gas".

Fonte: Cnr

Commenti

Post più popolari